Wila OZU-310/3

https://www.im-aps.dk/web/image/product.template/21019/image_1920?unique=8e40779

New Standard Premium
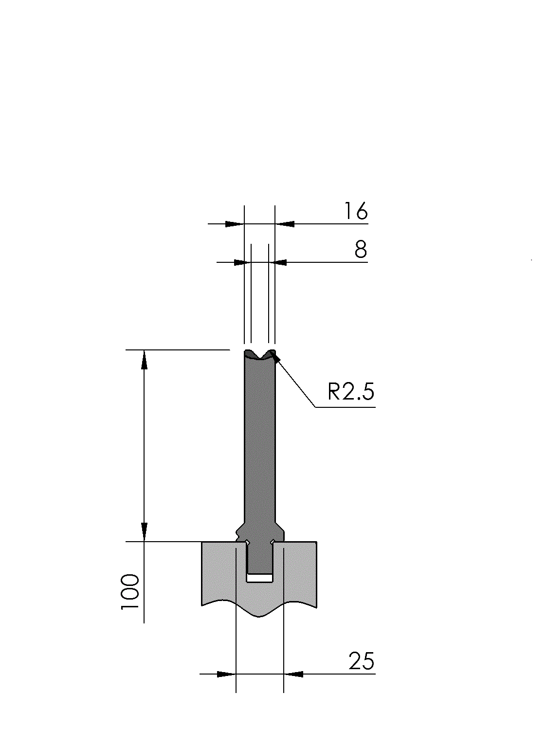
H=100mm, V=8mm/86°, Ri=2.5mm
maks belastning: 120ton/m
CNC-dybdehærdet® (min 4mm / 56-60HRc)
Material=CrMo
Længde=200mm Segm. i: 2xL=100mm (2 emner)
Vægt=2,9kg

0,00 kr 0.0 DKK 0,00 kr

Denne kombination eksistere ikke.